Můj košík: 0,00  0

Do dopravy zdarma zbýva 9999,- Kč
0

Oblíbené produkty:

0
Menu

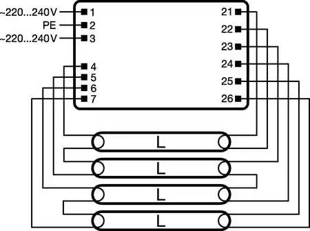
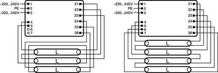
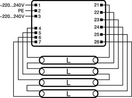
OSRAM předřad.elektron. QUICKTRONIC QT-FIT8 3x18W 4x18/220-240V

Kód Kratochvíl: OSQTFIT318
Výrobce: OSRAM
Kód výrobce 4008321294302
EAN 4008321294302
Do oblíbených
Výhody produktu: Dlouhá životnost světelného zdroje. Žádné nepříznivé dopady při častém zapínání a vypínání. Automatický restart po výměně světelného zdroje. Perfektní zapínání světelného zdroje pro instalace s pohybovými čidly. Systém certifikovaný podle VDE/VDE pro EMC. Velmi vysoká energetická účinnost díky odpojovací technologii. Vlastnosti produktu: Napájecí napětí: 220…240 V. Síťové napětí: 198 – 264 V. Kmitočet: 50 Hz | 60 Hz. Zapnutí světelného zdroje s optimálním předehříváním vlákna. Index energetické účinnosti EEI: A2. Automatické vypnutí vadných světelných zdrojů a zdrojů na konci života (EoL T.2). Provoz světelného zdroje: po EN 60929. Bezpečnost: podle EN 61347-2-3. Druh použití: Společné kanceláře, chodby a skladovací prostory. Veřejné budovy. Světelné pásy. Vhodné pro nouzové osvětlení (provoz na stejnosměrný proud). Vhodné pro svítidla třídy ochrany I.
Cena produktu: 633,00 
Sklad Slaný - Na objednávku
Sklad Nová Paka - Na objednávku
Dodavatel - Na objednávku
Do košíku (ks):
Cena za ks (bez DPH)522,64 
recyklační poplatek KC 0,50 za ks (bez DPH) 0,50 
Cena za ks (s DPH)632,40 
recyklační poplatek KC 0,50 za ks (s DPH) 0,61 
Celková cena za ks (bez DPH)523,14 
Celková cena za ks (vč. DPH)633,00 
  • Parametry
  • Kódy výrobce
  • Ke stažení

Parametry

Výrobce:
Produktová řada QT-FIT
Výrobce OSRAM
Logistické informace:
EAN 4008321294302
Váha 0.219 kg
Délka 280.00
Rozměry 280x28mm
Šířka 40.00
Výška 28.00
Balení 20 ks
Technické parametry:
Délka balení 280 mm
Podskupina zboží pro zářivky
přepravní rozměr cm 28 cm
Skupina zboží Předřadníky a trafa
Šířka balení 40 mm
Třída svítidla I
Výška balení 28 mm
Krytí IP20
Napětí 220-240 V
Životnost 50000 hod

Kódy výrobce pro jiné balení

EAN 4008321294302 ks 1 ks
EAN 4008321294319 box 11 ks
KOD OSQTFIT318 ks 1 ks

Specifikace produktu

Výhody produktu: Dlouhá životnost světelného zdroje. Žádné nepříznivé dopady při častém zapínání a vypínání. Automatický restart po výměně světelného zdroje. Perfektní zapínání světelného zdroje pro instalace s pohybovými čidly. Systém certifikovaný podle VDE/VDE pro EMC. Velmi vysoká energetická účinnost díky odpojovací technologii. Vlastnosti produktu: Napájecí napětí: 220…240 V. Síťové napětí: 198 264 V. Kmitočet: 50 Hz | 60 Hz. Zapnutí světelného zdroje s optimálním předehříváním vlákna. Index energetické účinnosti EEI: A2. Automatické vypnutí vadných světelných zdrojů a zdrojů na konci života (EoL T.2). Provoz světelného zdroje: po EN 60929. Bezpečnost: podle EN 61347-2-3. Druh použití: Společné kanceláře, chodby a skladovací prostory. Veřejné budovy. Světelné pásy. Vhodné pro nouzové osvětlení (provoz na stejnosměrný proud). Vhodné pro svítidla třídy ochrany I.

Naposledy prohlížené zboží