Můj košík: 0,00  0

Do dopravy zdarma zbýva 9999,- Kč
0

Oblíbené produkty:

0
Menu

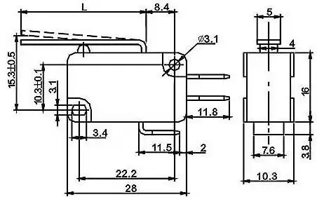
HADEX Mikrospínač MSW-02, ON-(ON) 1pol.250V/10A s páčkou

Kód Kratochvíl: HDL401
Výrobce: HADEX
Kód výrobce L401
EAN 8595118812222
Do oblíbených
Cena produktu: 17,00 
Sklad Slaný - Na objednávku
Sklad Nová Paka - Na objednávku
Dodavatel - Na objednávku
Do košíku (ks):
  • Parametry
  • Kódy výrobce
  • Ke stažení

Parametry

Výrobce:
Výrobce HADEX
Logistické informace:
EAN 8595118812222
Technické parametry:
Podskupina zboží Vidlice zásuvky a spojky
Skupina zboží Elektromateriál

Kódy výrobce pro jiné balení

EAN 8595118812222 ks 1 ks
KOD HDL401 ks 1 ks