Můj košík: 0,00  0

Do dopravy zdarma zbýva 9999,- Kč
0

Oblíbené produkty:

0
Menu

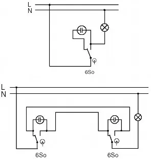
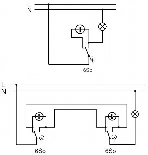
ABB strojek přepínač střídavý ř.6/6So ;

Kód Kratochvíl: AB3558-A06340
Výrobce: ABB
Kód výrobce 3558-A06340
EAN 8595017207495
Do oblíbených
Cena produktu: 217,00 
Sklad Slaný - Na objednávku
Sklad Nová Paka - Na objednávku
Dodavatel - Na objednávku
Do košíku (ks):
  • Parametry
  • Kódy výrobce
  • Ke stažení

Parametry

Výrobce:
Výrobce ABB
Logistické informace:
EAN 8595017207495
Balení 20 ks
Technické parametry:
Délka balení 31 mm
Podskupina zboží Vypínače ABB
přepravní rozměr cm 8.1 cm
Řazení vypínače ř.6-6So
Skupina zboží Vypínače a zásuvky
Šířka balení 81 mm
Výška balení 81 mm
Strojek/rámeček strojek

Kódy výrobce pro jiné balení

EAN 8595017207495 ks 1 ks
KOD AB3558-A06340 ks 1 ks

Specifikace produktu

Přístroj přepínače střídavého, řazení 6, 6So