Můj košík: 0,00  0

Do dopravy zdarma zbýva 9999,- Kč
0

Oblíbené produkty:

0
Menu

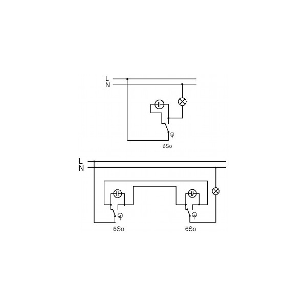
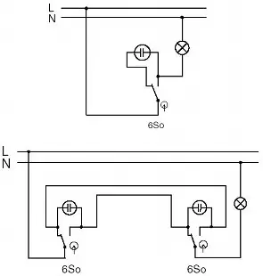
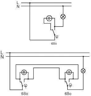
ABB strojek přepínač střídavý ř.6/6So ;

Kód Kratochvíl: AB3559-A06345
Výrobce: ABB
Kód výrobce 3559-A06345
EAN 8595017245626
Do oblíbených
Cena produktu: 193,00 
Sklad Slaný - Na objednávku
Sklad Nová Paka - Skladem 23 ks
Dodavatel - Na objednávku
Do košíku (ks):
  • Parametry
  • Kódy výrobce
  • Ke stažení

Parametry

Výrobce:
Výrobce ABB
Logistické informace:
EAN 8595017245626
Balení 20 ks
Technické parametry:
Délka balení 31 mm
Podskupina zboží Vypínače ABB
přepravní rozměr cm 8.1 cm
Řazení vypínače ř.6-6So
Skupina zboží Vypínače a zásuvky
Šířka balení 81 mm
Výška balení 81 mm
Strojek/rámeček strojek

Kódy výrobce pro jiné balení

EAN 8595017245626 ks 1 ks
KOD AB3559-A06345 ks 1 ks

Specifikace produktu

Přístroj přepínače střídavého, řazení 6, 6So